本標準由深圳市機器人標準檢測技術學會、深圳市新產研咨詢服務有限公司提出。
本標準負責起草單位∶云南昆船智能裝備有限公司、深圳市今天國際智能機器人有限公司、北京特種機械研究所、青島海通機器人系統有限公司、蘇州先鋒物流裝備科技有限公司、浙江大學。?
本標準的參編單位∶北京極智嘉科技有限公司、浙江杭叉智能科技有限公司、上海匯聚自動化科技有限公司、南德認證檢測(中國)有限公司、東莞沃德檢測有限公司、浙江德尚智能科技有限公司、浙江大華技術股份有限公司。?本
標準主要起草人:趙立、王勇、段三軍、高健、潘小軍、劉增崗,楊文華。
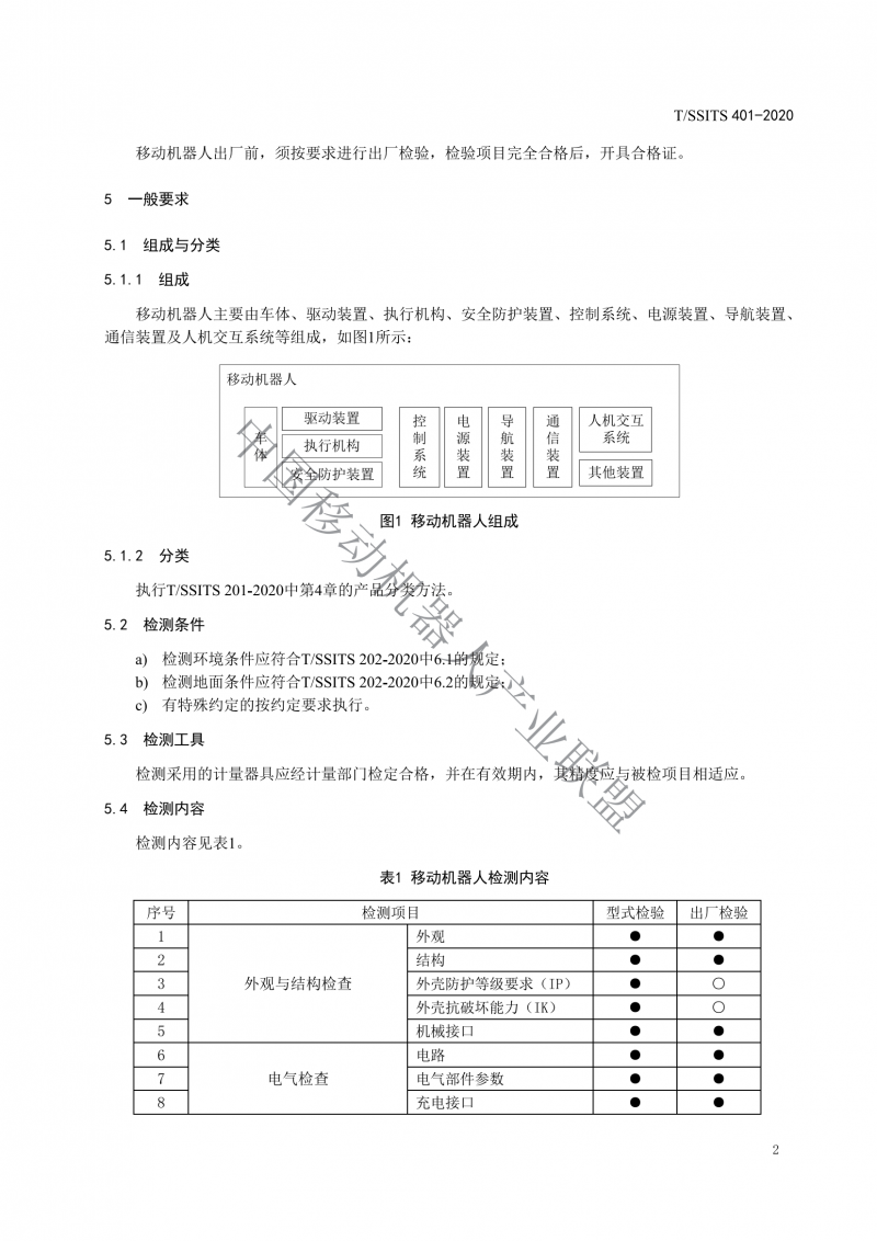
本標準共17頁。























